
东莞某印刷公司成立于 1988 年,是一家以包装产品的开发、设计、印刷为核心 的高新技术企业,
中国优秀的高端奢侈品纸包装供应商,名列中国印刷百强第九名。
历经 20 多年的积累与发展,现已成长为中国最具特色的创新型印艺企业,
拥有 大规模的数码印刷机群,充分满足不同消费者对个性化印品的需求。
本次网络万兆核心建设项目旨在为企业办公网络及各应用系统提供网络支撑,
满足至少 3-5 年高速収展的网络连接需求,新增万兆核心交换设备及优化调整现有网络架构,
在东莞公司总部建设万兆核心网络系统。
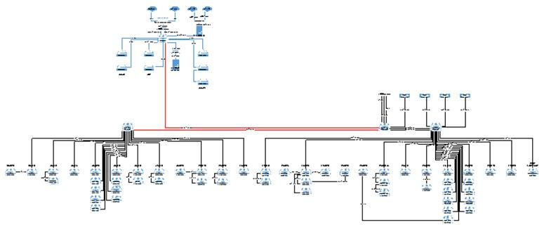
根据我公司实地现场考察,并根据招标方相关负责人的概述,将之结合整理得到如下的网络示意图:
现行网络示意图:

设计原则:
本项目计总体原则是建设一个先进的、灵活的、可靠的、基于标准的网络平台, 使得能够基于这个平台,
实现高速网络的价值,并为今后满足新的业务需求而迅 速推出新的业务打好基础。基于以上的建立目标,IP 网络的设计原则为:
a.先进性:网络技术应为当期国际同业中先进的,并能支持未来网络技术的高性 能需求,并且在业界表现出较高的网络性能;
b.安全性:能有效防止网络的非法访问,保护关键的数据不被非法窃取、篡改或泄漏,使数据具有极高的安全性;
c.可靠性:整个网络系统应具有很高的安全可靠性,必须满足 7×24×365 小时 连续运行的要求。
在通信故障发生时,网络设备可以快速自动地切换到备份链路或设备上;
d.可用性:整个网络系统要按照实用、好用的原则,使网络具有较高的实用性;
e.时效性:网络要保证各类业务数据流的及时传输,网络时效性要强,网络延时 要小,确证业务交易的实时高效完成;
f.完整性:网络系统应实现端到端的,能整合数据、语音和图象的多业务应用, 需要实施安全策略、QoS 策略、
流量管理策略和系统管理策略的完整的一体化网络;
g.成熟性:本网络系统需要整合包括 TCP/IP,语音和图象及视频等多种网络技 术,只有成熟的平台和解决方案并在国内的政府用户成功使用
才可以保证关键业 务系统有一个可靠的运行,以有利于业务发展;
h.可扩展性:网络要具有面向未来的良好的伸缩性能,既能满足当前的需求,又 能支持未来各种应用的扩展和与其它机构或部门的连接等对网络的扩充性要求;
i.效益性:网络的投资应随网络的伸缩能够持续发挥作用,保护网络的投资,充分发挥网络投资的最大效益;
j.可管理性:网络要应用统一的网络管理平台实现对整个网络系统、设备、安全性、数据流量、性能等的监控和管理,并可方便直观的进行远程管理和故障诊断。
k.可实施性:整个网络解决方案的实施要便于实际的实施,并在实施过程中要保 证现有网络和切换的完整性和一致性,确保实施工作的正常、顺利。
我们根据以上原则及与招标方的沟通,我们计划将网络系统升级并改造为如下结 构图所示的网络系统:

1.2 网络设备简介
本次网络系统为已有网络系统升级万兆核心网络系统建设,本次网络系统建设将 新设立由两台 Cisco Nexus 9000 交换机组成的万兆网络核心,整理现行网络, 并达到优化公司网络系统的目的。本次网络系统建设主要分为 3 部分:
1. 新建设核心交换机
次网络系统建设将新设立由两台 Cisco Nexus 9000(简称 N9K)交换机组成的万兆网络核心,N9K 作为 Cisco 数据中心级交换机的新旗舰,性能卓越,本次招标 选用的 Nexus 9504 交换机更具有很高的经济效益,可谓是性价比极高的选择。
2. 新增设汇聚层交换机
新增万兆核心交换机确实能提升整个网络系统的性能,但却并未能很好的整理网 络系统构建,所有接入层交换机,无论是办公或是生产还有 HP 的服务器均甚至 间接连入核心,网络系统仍旧是相对混乱,本次招标中的汇聚层交换机正好能将 网络系统整理清晰。
本次招标新增一台万兆数据中心级汇聚层交换机 Cisco Nexus 9300(简称 N93) 交换机,设置在 C#3F 影像数据机房,用于连接影像数据机房的服务器,亦可用于 以后影像数据机房增设万兆服务器使用;
新增 2 台千兆数据中心级汇聚层交换机 Cisco Nexus 3000(简称 N3K),分别设 置在 C#1F 和 C#2F HP 机房,用于高速连接 HP 机房的服务器;
新增 2 台全千兆园区网 3 层汇聚层交换机 Cisco Catalyst 3850(简称 3850)交 换机,一台设置在 C#2F 网络核心机房,用于汇聚 C#和部分 B#的接入层交换机; 一台设置在 A#2F 网络核心机房,用于汇聚 A#和部分 B#的接入层交换机;
3. 替换接入层交换机
本次招标的新购买的千兆接入层 Cisco Catalyst 2960(简称 2960)交换机用于 替换现有的接入层交换机,现网中的的接入层交换机大多都是 Cisco Catalyst 2950 交换机,
采购时间较早,服役时间也较长,已经超出使用寿命年限,设备 性能较低,故障率较高,应当替换。
1.3 网络结构设计
本次网络结构由两台 N9K 组成的高性能核心,除了高性能以外,N9K 可以实现网络虚拟化,可组建 VPC Domain,实现汇聚层交换机由 VPC
分别上联到两台核心交换机。
结构的优势所在:
• 高可靠性:两台核心交换机之间冗余备份,同时利用跨设备的 VPC 实现跨设备的链路冗余备份。
• 强大的网络扩展能力:通过组建 VPC,可以在不改变网络拓扑的情况下,轻松 地扩展网络系统。
• 多台设备间冗余、备份,提高系统的可靠性。
VPC
VPC 即 VirtualPortChannel(虚拟端口聚合),在思科 vPC 之前,思科 PortChannel 通常必须在单个物理交换机上终止。思科 vPC 为设备提供主用 - 主用转发路径。由于两台 Cisco Nexus 交换机之间的特殊对等关系,生成树看 不到任何环路,使所有链路都处于活动状态。对于连接的设备,连接显示为正常的思科 PortChannel 接口,不需要特殊配置。行业标准术语称为“多机箱 EtherChannel”;
VPC 构架如下所示:

VPC 的优势:
VPC 主要的两大优势就是多机箱 EtherChannel 和防止二层环路。
N9K 支持的跨设备链路聚合 VPC 技术,可以将不同成员交换机上的物理以太端口 配置成一个聚合端口。
这样即使某台成员交换机故障或聚合链路其中一条链路出 现故障,也不会导致聚合链路完全失效,从而保证了数据流量的可靠传输,
不但 解决了堆叠设备单点失效的问题,还极大提高了全网的可靠性。
如图所示,流向网络核心的流量均匀分布在聚合链路上,当其中一条链路失效时, 跨设备链路聚合技术能够将流量自动重新分布到其余聚合链路
以实现链路备份, 从而提高网络可靠性。

VPC 接口会通过 HASH 算法选择转发出接口,从而进入核心的流量很可能会跨设 备转发。
此时,可以通过流量本地转发功能解决此问题,即从本设备进入的流量, 优先从本设备的出接口转发出去;如果本设备的出接口故障,
则流量从其它成员 交换机的接口转发出去。
在二层网络设计中,如何防止环路一直是由生成树去解决,但是生成树有它的固有缺陷,即必须有一段收敛时间,如何克服这个缺陷成为了一个难题。
而下图中的 vPC 描绘了在传统拓扑中,这些设计使第 2 层-第 3 层边界位于汇 聚层,以实现更大的第 2 层可达性,
但是所有链路都处于活动状态,两台核心交换机在下联交换机看来,为同一逻辑交换机,也只接到的一份 BPDU,因此不 认为有环路存在,
因为生成树看不见任何要阻止的链路。从而有效的减少生成树收敛带来的有可能网络中断故障。

1.4 VLAN 及 IP 地址设计
由于本项目为网络改造项目,招标方已建有网络系统,因此本次网络设计中的 VLAN 及IP地址将尽量使用原有的 VLANID 及 IP 地址编排,
但是个别 VLAN 和 IP 地址规划可能需要重新规划:
本次设计的 VLAN 都将使用基于交换机端口的 VLAN,对于需要新建的 VLAN,我们将按照往后扩展的方式向后新增 VLAN ID,
不使用之前使用过的 VLAN ID 范围内 的 VLAN ID,VTP 模式全部采用采用透明模式,手工创建 VLAN,不是用 VTP 自动 获取 VLAN 信息,
这主要是基于网络稳定性考虑。
对于需要使用的新 IP 地址段,将与招标方讨论后使用未分配的 IP 地址段;对于在可能出现的同一 VLAN 中存在多段 IP 地址的情况,
可以设置 secondIP 在同一 个 VLAN 中使用。
1.5 DHCP 设计
本次投标中使用的核心交换机 N9K 并不具有作为 DHCP 服务器的功能,仅能作为 DHCP 中继,在经过与招标方的沟通得知,
目前招标方网络系统中的 IP 地址大多 都是固定手动分派的地址,如若后期需要设置 DHCP 自动获取地址,
建议使用 Windows Sever 搭建 HDCP 服务器,由核心交换机中继。
1.6 生成树设计
本方案虽使用 VPC 减小了生成树对网络系统的影响,但并非完全取消不使用生成 树,生成树作为二层网络放环的重要手段不能不设置,
否则可能不经意间的误操 作引起的网络环路将对整个网络系统造成一些不必要的影响。
本次生成树所设计的交换机均为 Cisco 交换机,都能执行 PVST+协议,因此本次生成树模式设计建议全部使用 PVST+生成树。
将核心交换机的设置根保护,以使得核心一直处于生成树根的状态,并建议手动设置根优先级为 4096;汇聚层交换机根优先级设置为 20480;
接入层交换机的根 优先级保持默认即 32768。
1.7 路由设计
新建设的网络系统的可能会使用动态路由器 RIP,我们建议不再使用 RIP 这种动态路由器协议,可改有 OSFP 或 EIGPR 替代;
无论从使用范围,使用场景,收敛 速度,安全性等方面考虑,OSFP 或 EIGPR 相比 RIP 都有过之而无不及。
对于内 部网络可以使用部分静态路由以增强网络系统的稳定性。
对于汇聚层与核心层之间的链路,建议采用二层网络设计,三层设计,三层设计不但不能体现核心交换机高性能的价值,
反而让整个网络系统变得更加的负责; 建议所有网关均设置在核心交换机上。







































